Wasser und Umwelt - Erstellung von CAD Plänen
CAD (von engl. computer-aided design) ist ist ein vektororientieres Zeichenprogramm, das auf einfachen Objekten wie Linien, Polylinien, Kreisen, Bögen und Texten aufgebaut ist.
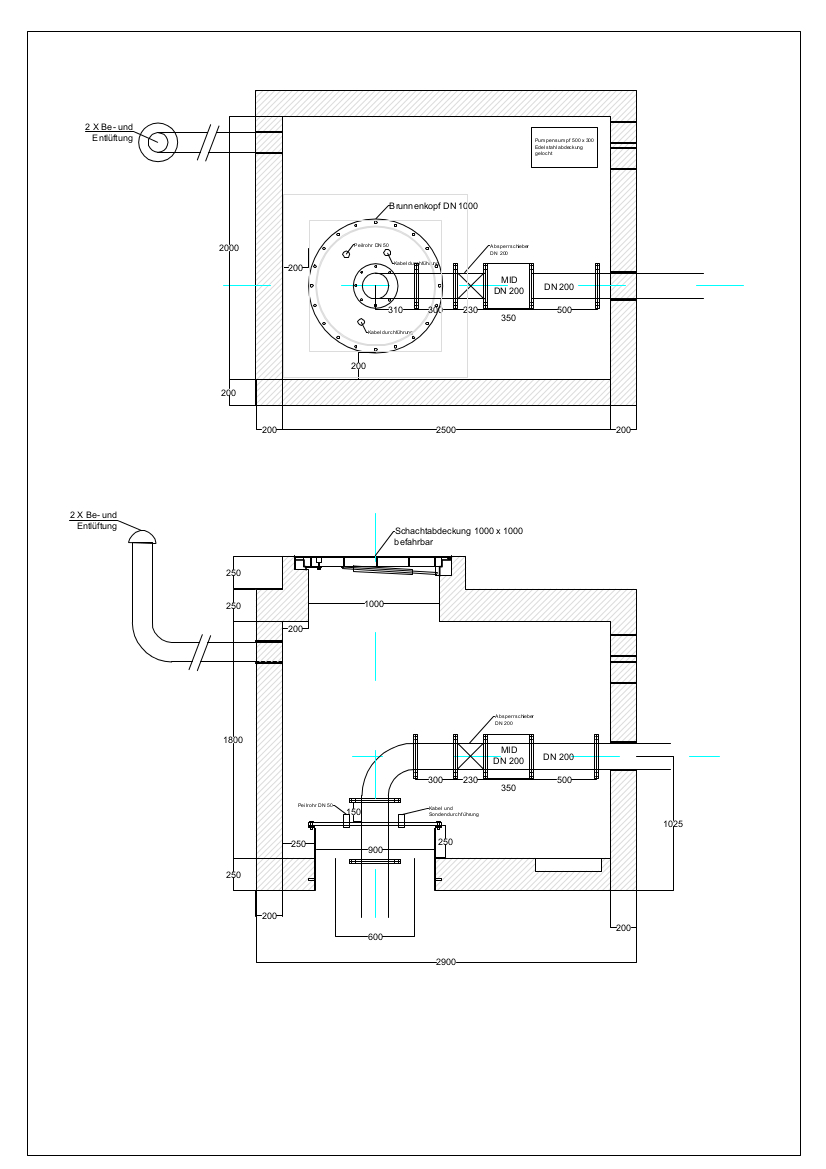
Die Planung von
Brunnenschächten, Leitungen von Brunnen zu
Hochbehältern und
Verbrauchern kann mit CAD Plänen erfolgen. Aber auch amtliche
Flurkarten können mit einem CAD Programm berarbeitet werden um
die
Lage von Brunnen, Gebäuden usw. durchzuführen.
